產品介紹
產品名稱:電動金屬密封固定球閥
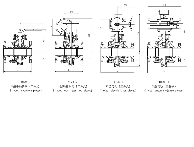
產品型號:Q947H/Q947Y
球閥在石油、天然氣、煤炭和礦石的開采、提煉加工和管道輸送系統中;在化工產品、醫藥和食品生產種;球閥在水電、火電和核電的電力生產系統中;球閥在城市和工業企業的給排水、供熱、和供氣系統中;在農田的排灌系統中;球閥在治金生產系統中得以廣泛的應用,是一種與生產建設、國防建設和人民生活息息相關的重要機械產品。球閥密閉在各類管路系統種用于截斷或接通介質流,使介質按照預定的程序輸送到各個指定點。
固定球閥采用彈性浮動閥座結構,球體只有繞閥桿傳動一個自由度閥門關閉時在介質壓力下不會與閥座產生過高的密封比壓而導致密封面損傷,因此可以制造高壓、大口徑球閥。公稱通徑)200應選用固定球閥。
A. 全通徑和縮徑:用戶可以選擇全通徑和縮徑縮徑球閥重量比全通徑球閥輕約30%能夠減輕管道負荷降低成本。
B. 雙向密封與排泄功能:閥座密封為彈簧預緊雙活塞式上下游介質壓力使閥門實現雙向密封中腔可以放空維修或排污。
C. 防靜電結構:軟密封球閥在啟閉過程中會產生靜電因此易燃易爆場合采用的球閥要求設置防靜電結構。
D. 耐火結構:該結構在火災發生時軟密封材料燒損后形成金屬對金屬的硬密封有效防止介質外流造成更大的損失。
金屬硬密封固定式球閥的特點:
1、采用圓柱形彈簧或波形彈簧預載的襝性可動金屬閥座結構,密封預緊力設計合理、閉啟靈活,有效保證密封的可靠性。
2 、采用特殊結構裝置的閥桿,不僅確保填寫料處還會滲漏,且防止了閥桿脫出。
3、根據用戶的需要,可設計成適應粉塵(包括含固體顆粒),漿料等介質的結構,使球閥耐磨及耐高溫性能更好。
4、本身具有防火防靜電功能。
5、該結構球閥應按規定流向使用。




TEL:

E-mail us
PDF Download
Inquiry





